Descrizione
Caratteristiche YONOS PICO1.0 30/1-8 pompa di ricircolo:
- Pompa di ricircolo con rotore bagnato con raccordo a bocchettone
- Regolata elettronicamente
- Tecnologia del motore EC autoprotetto e regolazione elettronica della potenza integrata per la regolazione modulante della pressione differenziale
- Impiegabile in tutte le applicazioni di riscaldamento e condizionamento in complessi residenziali mono e bifamiliari
- Funzione per l'aerazione del vano rotore manuale
- Salvamotore integrato
- Funzione di sbloccaggio automatico
- Modo di regolazione selezionabile in funzione dell'applicazione riscaldamento a radiatori o pannelli radianti
- Struttura compatta: semplifica inoltre lo scambio pompa
Dati tecnici pompa di ricircolo:
- Pressione d’esercizio massima PN: 10 bar
- Mandata Qmax: 4,4 m3/h
- Temperatura fluido min / max: -10 °C / 95 °C
- Temperatura ambiente min / max: -10 °C / 40 °C
- Alimentazione di rete: 1~230 V ±10%, 50/60 Hz
- Altezza di ingresso minima a 50 °C / 95 °C / 110 °C: 0,5 m / 3 m / 10 m
- Potenza nominale P2: 58 W
- Potenza assorbita Pmax: 75 W
- Potenza assorbita Pmin: 4 W
- Velocità min - max: 500 giri/min - 4800 giri/min
- Pressacavo: 1 x PG11
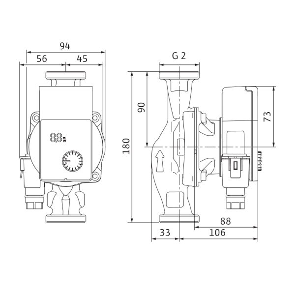
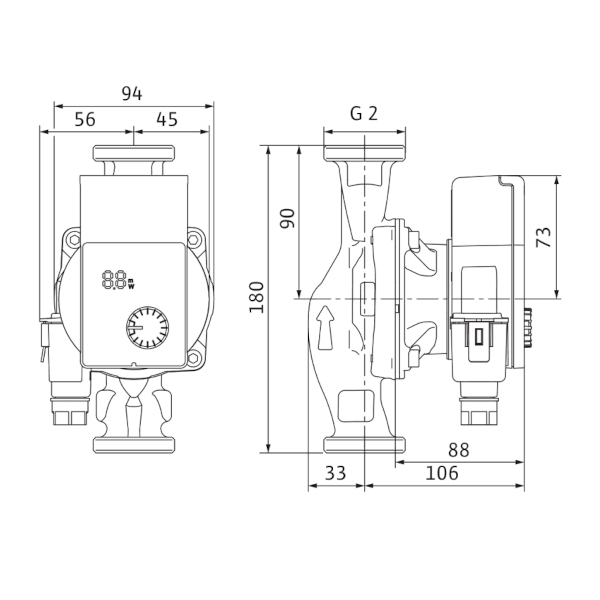
- Raccordo per tubi sul lato pressione e aspirante: G 2" (vedi foto)
- Diametro nominale raccordo: DN30
- Lunghezza costruttiva: 180 mm
- Campo di prevalenza nominale: 1-8 m
- Dimensioni (L x P x H): 102 x 139 x 180 mm
- Peso: 2,4 kg c.a.
- Emissione disturbi elettromagnetici: EN 61000-6-3
- Immunità alle interferenze: EN 61000-6-2
- Compatibilità elettromagnetica: EN 61800-3
Materiali pompa di circolazione:
- Corpo pompa: Ghisa
- Girante: PP-GF40
- Albero: Acciaio inossidabile
- Materiale cuscinetto: Carbone impregnato di metallo
Stima dei costi di spedizione per il prodotto Wilo YONOS PICO1.0 30/1-8 pompa di ricircolo 180 mm 2"
Prodotti simili a Wilo YONOS PICO1.0 30/1-8 pompa di ricircolo 180 mm 2"
Sconto 15%


Dab Evosta 2 40-70/180 1" circolatore elettrico 1"1/2 35 W
Prezzo
Prezzo scontato€128,05
Prezzo più basso ultimi 30 giorni €150,11
Sconto 15%


Dab Evosta 2 40-70/130 1" circolatore elettrico 1"1/2 35 W
Prezzo
Prezzo scontato€127,97
Prezzo più basso ultimi 30 giorni €150,11
Sconto 12%


Wilo ATMOS PICO 25/1-6-180 pompa di circolazione 180 mm 1"1/2
Prezzo
Prezzo scontato€137,51
Prezzo più basso ultimi 30 giorni €156,36
Sconto 19%


Dab Evosta 3 80/130 1" circolatore elettrico 1"1/2 55 W
Prezzo
Prezzo scontato€224,75
Prezzo più basso ultimi 30 giorni €278,65
Sconto 20%


Dab Evosta 3 80/180 1" circolatore elettrico 1"1/2 55 W
Prezzo
Prezzo scontato€222,52
Prezzo più basso ultimi 30 giorni €278,65
Sconto 15%


Dab Evosta 2 40-70/130 1/2" circolatore elettrico 1" 35 W
Prezzo
Prezzo scontato€127,02
Prezzo più basso ultimi 30 giorni €150,11
Sconto 14%


Wilo ATMOS PICO 25/1-6-130 pompa di circolazione 130 mm 1"1/2
Prezzo
Prezzo scontato€133,74
Prezzo più basso ultimi 30 giorni €156,36
Sconto 16%


Dab Evosta 2 SAN 40-70/150 1" circolatore elettrico sanitario 1"1/2 35 W
Prezzo
Prezzo scontato€225,44
Prezzo più basso ultimi 30 giorni €269,47
Sconto 20%


Dab Evoplus Small 110/180 M circolatore 11.1 m 170 W
Prezzo
Prezzo scontato€534,68
Prezzo più basso ultimi 30 giorni €672,07
Sconto 19%


Dab VS 16/150 M circolatore a rotore bagnato acqua calda 41 W
Prezzo
Prezzo scontato€204,51
Prezzo più basso ultimi 30 giorni €252,59
Sconto 21%


Circolatore Dab Evoplus Small 80/180 M 60150940 da 8.2 m 100 W
Prezzo
Prezzo scontato€453,06
Prezzo più basso ultimi 30 giorni €572,62
Sconto 23%


Dab Evoplus Small 80/180 XM circolatore 8.1 m 130 W
Prezzo
Prezzo scontato€472,52
Prezzo più basso ultimi 30 giorni €610,10
Sconto 22%


Wilo YONOS PICO1.0 25/1-6-130 pompa di ricircolo 130 mm 1"1/2
Prezzo
Prezzo scontato€265,13
Prezzo più basso ultimi 30 giorni €339,84
Sconto 18%


Wilo STAR-Z 20/1 pompa di ricircolo acqua potabile 140 mm 1"
Prezzo
Prezzo scontato€260,90
Prezzo più basso ultimi 30 giorni €318,37
Sconto 23%


Wilo ATMOS PICO 15/1-6-130 pompa di circolazione 130 mm 1"
Prezzo
Prezzo scontato€119,91
Prezzo più basso ultimi 30 giorni €156,36
Sconto 21%


Dab VS 35/150 M circolatore a rotore bagnato acqua calda 55 W
Prezzo
Prezzo scontato€223,55
Prezzo più basso ultimi 30 giorni €282,45
Sconto 20%


Dab Evoplus Small 60/180 XM, circolatore 6.1 m 100 W
Prezzo
Prezzo scontato€463,94
Prezzo più basso ultimi 30 giorni €577,99
Sconto 22%


Wilo YONOS PICO1.0 25/1-4 pompa di ricircolo 180 mm 1"1/2
Prezzo
Prezzo scontato€239,29
Prezzo più basso ultimi 30 giorni €308,61
Sconto 20%


Wilo STAR-Z 20/4 pompa di ricircolo acqua potabile 150 mm 1"1/4
Prezzo
Prezzo scontato€297,03
Prezzo più basso ultimi 30 giorni €371,08
Sconto 21%


Wilo YONOS PICO1.0 25/1-6 pompa di ricircolo 180 mm 1"1/2
Prezzo
Prezzo scontato€269,69
Prezzo più basso ultimi 30 giorni €339,84
Sconto 19%


Dab Evoplus Small 60/180 M, circolatore 6.1 m 100 W
Prezzo
Prezzo scontato€414,41
Prezzo più basso ultimi 30 giorni €509,08
Sconto 21%


Dab Evoplus Small 110/180 XM circolatore 11.3 m 170 W
Prezzo
Prezzo scontato€528,81
Prezzo più basso ultimi 30 giorni €672,07
Sconto 21%


Wilo STAR-Z 25/2 EM pompa di ricircolo acqua potabile 180 mm 1"1/2
Prezzo
Prezzo scontato€345,21
Prezzo più basso ultimi 30 giorni €437,44
Sconto 18%


Dab Evoplus B 60/240.50 M, circolatore singolo, 6 m, 260 W
Prezzo
Prezzo scontato€1.198,70
Prezzo più basso ultimi 30 giorni €1.467,32
Sconto 8%

Dab circolatore EVOSTA 2 11/85 SAN R1/2" a rotore bagnato 7 W
Prezzo
Prezzo scontato€126,38
Prezzo più basso ultimi 30 giorni €137,03
Sconto 20%


Wilo YONOS PICO1.0 30/1-6 pompa di ricircolo 180 mm 2"
Prezzo
Prezzo scontato€270,25
Prezzo più basso ultimi 30 giorni €339,84
Sconto 19%


Wilo YONOS PICO1.0 25/1-4-130 pompa di ricircolo 130 mm 1"1/2
Prezzo
Prezzo scontato€248,92
Prezzo più basso ultimi 30 giorni €308,61
Sconto 21%


Wilo STAR-Z 25/6-3 pompa di ricircolo acqua potabile 180 mm 1"1/2
Prezzo
Prezzo scontato€425,28
Prezzo più basso ultimi 30 giorni €539,04
Sconto 25%


Wilo YONOS MAXO 40/0,5-4 PN 6/10 pompa di ricircolo 220 mm DN40
Prezzo
Prezzo scontato€793,89
Prezzo più basso ultimi 30 giorni €1.054,57
Sconto 23%


Wilo YONOS MAXO 30/0,5-7 PN 10 pompa di ricircolo 180 mm 2"
Prezzo
Prezzo scontato€697,67
Prezzo più basso ultimi 30 giorni €900,26
Sconto 23%


Dab Evoplus B 120/250.40 M, circolatore singolo, prevalenza 12 m, 465 W
Prezzo
Prezzo scontato€1.057,46
Prezzo più basso ultimi 30 giorni €1.378,60
Sconto 26%


Dab EVOSTA 3 40/180 1" circolatore elettrico 1"1/2 20 W
Prezzo
Prezzo scontato€152,93
Prezzo più basso ultimi 30 giorni €207,50
Sconto 22%


Wilo YONOS MAXO 40/0,5-12 PN 6/10 pompa di ricircolo 250 mm DN40
Prezzo
Prezzo scontato€1.294,13
Prezzo più basso ultimi 30 giorni €1.663,79
Sconto 20%


Wilo YONOS PICO1.0 15/1-4 pompa di ricircolo 130 mm 1"
Prezzo
Prezzo scontato€245,93
Prezzo più basso ultimi 30 giorni €308,61
Sconto 23%


Wilo YONOS PICO1.0 25/1-8 pompa di ricircolo 180 mm 1"1/2
Prezzo
Prezzo scontato€355,46
Prezzo più basso ultimi 30 giorni €458,92
Sconto 24%


Dab Evosta 2 20-105/130 SOL circolatore elettrico impianti solari, attacchi 1"1/2
Prezzo
Prezzo scontato€273,88
Prezzo più basso ultimi 30 giorni €359,07
Sconto 22%


Dab Evoplus Small SAN 110/180 M circolatore acqua sanitaria 11.1 m 170 W
Prezzo
Prezzo scontato€705,14
Prezzo più basso ultimi 30 giorni €904,75
Sconto 21%


Dab Evoplus B 120/340.65 M circolatore elettronico singolo 730 W
Prezzo
Prezzo scontato€1.746,00
Prezzo più basso ultimi 30 giorni €2.217,47
Sconto 21%


Dab Evoplus B 120/220.32 M, circolatore singolo, prevalenza 12.1 m, 340 W
Prezzo
Prezzo scontato€920,05
Prezzo più basso ultimi 30 giorni €1.171,10
Sconto 25%


Dab Evoplus B 80/220.40 M circolatore elettronico singolo 260 W
Prezzo
Prezzo scontato€899,90
Prezzo più basso ultimi 30 giorni €1.200,19
Sconto 25%


Dab Evoplus B 80/240.50 M, circolatore singolo, interasse 24 cm, prevalenza 8 m
Prezzo
Prezzo scontato€1.191,11
Prezzo più basso ultimi 30 giorni €1.589,03
Sconto 21%


Dab Evoplus Small B 110/250.40 M circolatore elettronico 180 W
Prezzo
Prezzo scontato€629,52
Prezzo più basso ultimi 30 giorni €797,59
Sconto 8%


Dab Evosta 3 60/130 1" circolatore elettrico 1"1/2 35 W
Prezzo
Prezzo scontato€214,12
Prezzo più basso ultimi 30 giorni €232,00
Sconto 22%


Circolatore elettronico gemellare Dab Evoplus D 120/250.40 M 465 W
Prezzo
Prezzo scontato€1.988,23
Prezzo più basso ultimi 30 giorni €2.536,62
Sconto 20%


Wilo Z 30 pompa di circolazione 230 V 180 mm 2"
Prezzo
Prezzo scontato€364,45
Prezzo più basso ultimi 30 giorni €456,18
Sconto 15%


Dab Evoplus D 60/220.32 M circolatore elettronico gemellare 110 W
Prezzo
Prezzo scontato€1.208,89
Prezzo più basso ultimi 30 giorni €1.421,45
Sconto 46%


Wilo STRATOS PICO-Z 20/1-6 PN 10 pompa ricircolo acqua potabile 1"1/4
Prezzo
Prezzo scontato€509,46
Prezzo più basso ultimi 30 giorni €945,16